Published:2012/9/3 22:30:00 Author:Ecco | Keyword: Pyroelectric , infrared sensing, automatic lamp | From:SeekIC

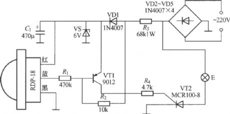
As shown in the figure, it is a inductive automatic light with RDP-18 pyroelectric infrared sensor module, and RDP-18 is a new module produced by Jiangnan radio factory which is located in Jinhua, Zhejiang, and it integrates pyroelectric infrared control circuit, PIR sensor and Fresnel lense, so the circuit is very simple.
Reprinted Url Of This Article:
http://www.seekic.com/circuit_diagram/LED_and_Light_Circuit/Pyroelectric_infrared_sensing_automatic_lamp_circuit_7.html
Print this Page | Comments | Reading(3)
Code: