Published:2009/7/6 8:35:00 Author:May | From:SeekIC

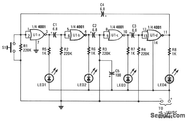
When power is first turned on, two of the LEDs are on and the other two remain off until the timing cycle reverses. The LEDs flash in pairs, but by pressing and holding S1 closed until only one of the LEDs is on, and then releasing it, the four LEDs can be made to flash in sequential order. The number of LEDs flashing in a sequential ring can be easily increased to eight by adding another 4001 quad NOR gate. Just repeat the circuit and connect the additional circuit in series with the first-input to output-as an extension of the first circuit. When power is connected to the eight-LED flasher circuit, four LEDs will turn on at once and then flash off as the four remaining LEDs come on. As before, just press S1 and hold closed until all but one LED turns off; then the LEDs will begin their sequential march in a circle. You can connect as many circuits in series as you like.
Reprinted Url Of This Article:
http://www.seekic.com/circuit_diagram/LED_and_Light_Circuit/RING_AROUND_LED_FLASHER.html
Print this Page | Comments | Reading(3)
Code: