Published:2009/7/14 4:18:00 Author:May | From:SeekIC

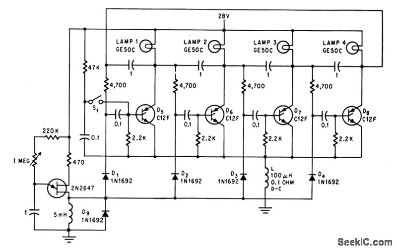
Four lamps flash one at a time, beginning with lamp 1, when power is applied, to simulate rotating light for emergency vehicles. R1 controls speed.-D. V. Jones, Quick-On-The-Trigger Design, Electronics, 38:12, p 105-110.
Reprinted Url Of This Article:
http://www.seekic.com/circuit_diagram/LED_and_Light_Circuit/ROTATING_BEACON.html
Print this Page | Comments | Reading(3)
Code: