Published:2009/6/17 2:10:00 Author:May | From:SeekIC

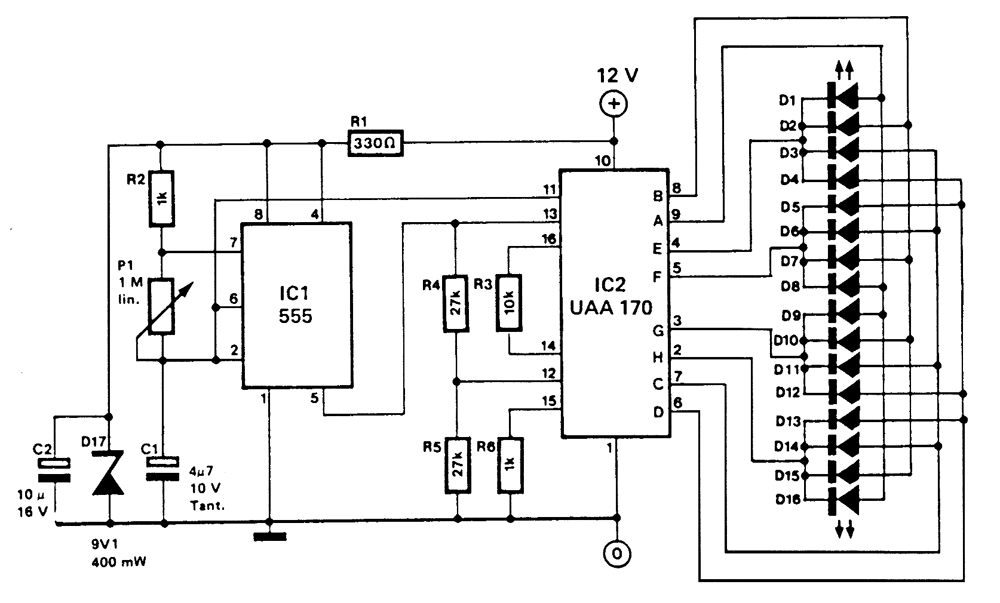
This running light sequencer drives 16 LEDs and runs from a 12-V supply. C1 can be varied to alter the rate of operation.
Reprinted Url Of This Article:
http://www.seekic.com/circuit_diagram/LED_and_Light_Circuit/RUNNING_LIGHT_SEQUENCE_.html
Print this Page | Comments | Reading(3)
Code: