Published:2009/6/30 22:58:00 Author:May | From:SeekIC


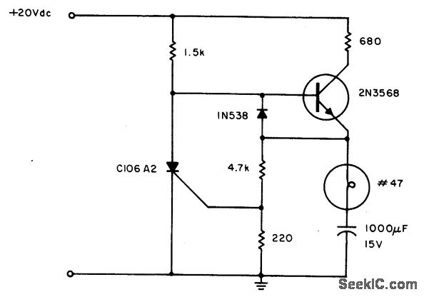
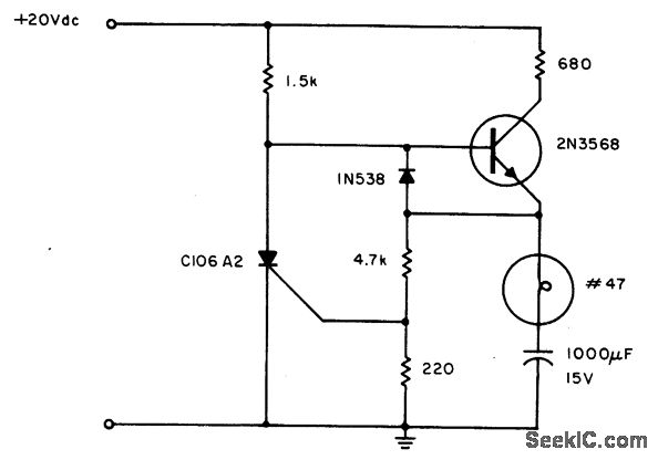
Flashing occurs each time the capacitor discharges through the tumed-on SCR. When the discharge current falls below the SCR holding current, the SCR turns off, and the capacitor begins charging for another cycle. The circuit will maintain a slower but good flashing capability even after considerable battery degradation.
Reprinted Url Of This Article:
http://www.seekic.com/circuit_diagram/LED_and_Light_Circuit/SCR_RELAXATION_FLASHER.html
Print this Page | Comments | Reading(3)
Code: