Published:2009/7/1 21:43:00 Author:May | From:SeekIC

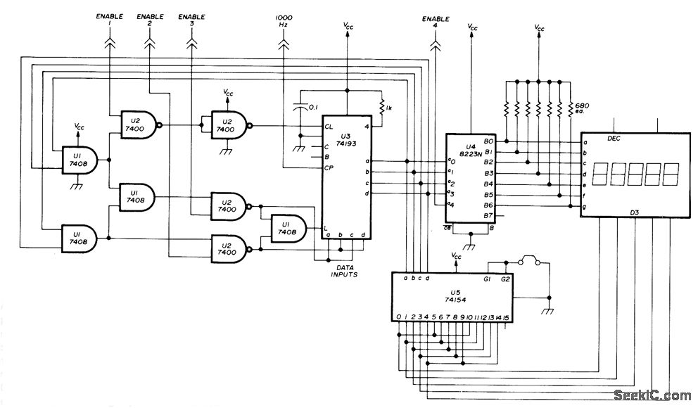
Programmed Signetics 8223 256-bit PROM is used as alphameric display having five 7-segment digits connected to form alphameric simulation of abbreviations for second, millisecond, microsecond, hertz, kilohertz, and megahertz as SEC, SEC-3, SEC-6, H2, H2 3, H2 6. Binary counter U3, 4-16 line decoder, and 5-digit parallel-connected Hewlett.Packard display form simple multi-plexer that addresses memory U4 one word at a time. External 1000-Hz square-wave oscillator drives counter and sets scanning rate. Requires only one 5-V supply. Article gives truth table for memoryand circuit for programmer required to set it up.-J.W,Springer,Function/Units Indicator Using LED Displays,Ham Radlio, March 1977,p 58-63.
Reprinted Url Of This Article:
http://www.seekic.com/circuit_diagram/LED_and_Light_Circuit/SI_ABBREVIATION___DISPLAY.html
Print this Page | Comments | Reading(3)
Code: