Published:2011/6/23 11:19:00 Author:Michel | Keyword: Driving, White LED Circuit | From:SeekIC

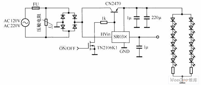
SR03 x series are dual output DC/DC power management chips without any magnetic components and the typical application circuit is shown as the aboved picture.SR036 and SR037 are two kinds of SR03 x series products of Supertex company.SR03 x series products do not need any transformer and inductor, also do not need input capacitance via high voltage,meanwhile,its work principle is very simple.SR03 x input HVin acceses rectifying 120 V or 230 V voltage of the high voltage port and it controls an external N channel mosfets or IGBT tube.The external transistor starts to conduct and charge the capacitance as the Vsource boosts when the input voltage is lower than 45V.Once when the HVin voltages is above 45 V, the external transistor will shuts off, stops charging, capacitance begins to discharge to load and maintains stable load current.
Reprinted Url Of This Article:
http://www.seekic.com/circuit_diagram/LED_and_Light_Circuit/SR03×_Driving_White_LED_Circuit.html
Print this Page | Comments | Reading(3)
Code: