Published:2011/7/24 22:46:00 Author:Ecco | Keyword: Touching stepping dimmer | From:SeekIC

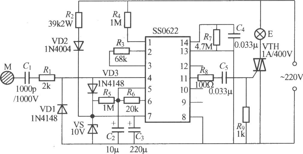
Touching stepping dimmer composed of the SS0622 IC is shown as the chart, and it canprovidetwo ways of four-gear stepping touching dimmeraccording to the needs of the users.
Reprinted Url Of This Article:
http://www.seekic.com/circuit_diagram/LED_and_Light_Circuit/SS0622_Touching_stepping_dimmer_circuit.html
Print this Page | Comments | Reading(3)
Code: