Published:2009/6/18 4:16:00 Author:May | From:SeekIC

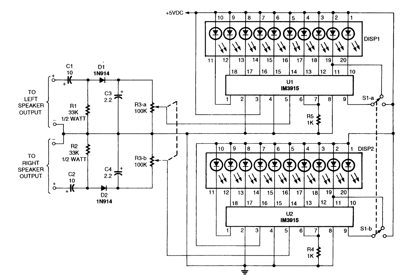
Two bar graph drivers and LEDs are used in this volume (level) indicator. R3a and R3b set the sensitivity of the circuit. The LEDs can be either bar graph units or individual LEDs can be used.
Reprinted Url Of This Article:
http://www.seekic.com/circuit_diagram/LED_and_Light_Circuit/STEREO_LEVEL_DISPLAY.html
Print this Page | Comments | Reading(3)
Code: