Published:2009/7/14 4:38:00 Author:May | From:SeekIC

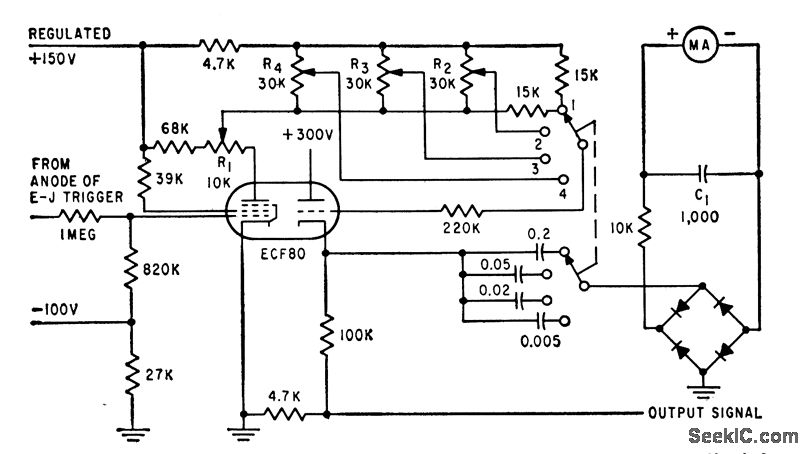
Flash role is metered by measuring mean charging current through capacitor supplied With constant-amplitude pulse voltage,-L. H. Barrett, New Circuit Improves Stroboscope Versatility, Electronics ,32:32,p 116-118.
Reprinted Url Of This Article:
http://www.seekic.com/circuit_diagram/LED_and_Light_Circuit/STROBE_RATEMETER.html
Print this Page | Comments | Reading(3)
Code: