Published:2009/7/1 21:11:00 Author:May | From:SeekIC

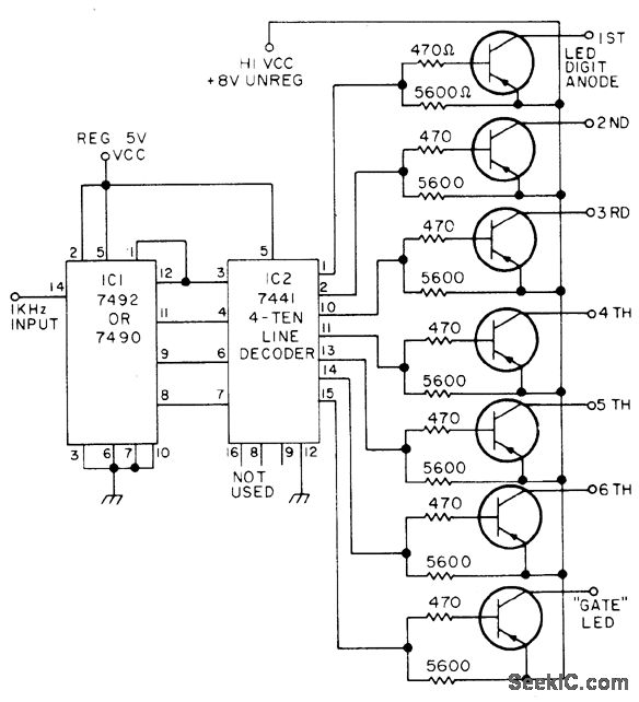
Applies power in sequence to segments of display, so fast that eye cannot detect flicker, to reduce drain on power supply. Input of 1000 Hz can be taken from timing chain of circuit that is driving display. 7492 divide-by-12 counter gives scan frequency of 83.3 Hz fordisplay. Binary output of 7492 is converted to 1-in-10 output by 7441 decoderfor sequential drive of 2N3904 PNP pass transistor that grounds LED which is to be lighted.-W. K.McKellips, Strobing Displays Is Cool, 73 Magazine, NovJDec. 1975, p 49-50.
Reprinted Url Of This Article:
http://www.seekic.com/circuit_diagram/LED_and_Light_Circuit/STROBING_LED_DISPLAY.html
Print this Page | Comments | Reading(3)
Code: