Published:2011/6/7 18:49:00 Author:Robert | Keyword: Emergency Light, Battery Protection | From:SeekIC

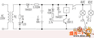
When the battery's output voltage is normal, the dw is punctured, vt is connected and also the relay is connected. The high beam or low beam light can be controlled by k to work. When the battery voltage is lower than 5.4V, the dw is disconnected to make the vt disconnected and the j open. The high beam or low beam light can not work continuously, so e stop discharging. This could protect the battery efficiently.
Reprinted Url Of This Article:
http://www.seekic.com/circuit_diagram/LED_and_Light_Circuit/Small_Emergency_Light_Circuit_With_Battery_Protection.html
Print this Page | Comments | Reading(3)
Code: