Published:2011/3/24 20:45:00 Author:Ecco | Keyword: Solid laser , range finder | From:SeekIC

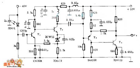
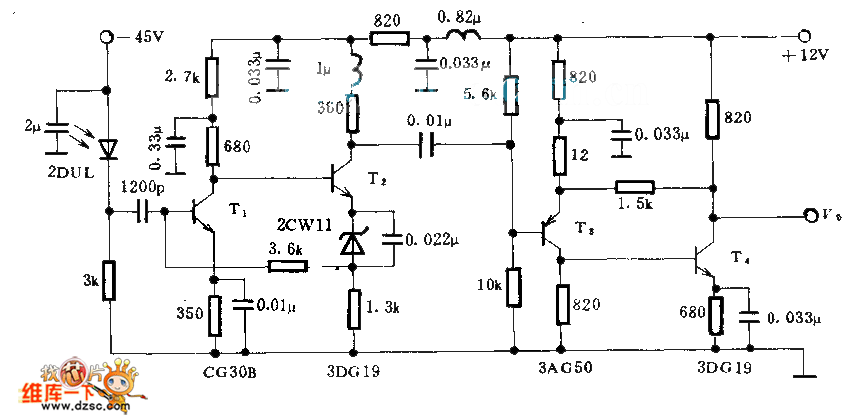
This circuitry zooms in magnification of 1200000 times, the bandwidth is 0.5~14 Mhzs, the input impedance is 700 Ω, the output impedance is 35 Ω(to measure in the 5 MHZ), the output level of noise is 0.6~0.8 V.
In the chart, T1 and T2 are direct coupling amplifiers, and be current negative feedback in parallel connection. The promotion of T2's emitter level by steady diode 2CM11 to assure the level installing relationship between T1 and T2.
T3 and T4 is a pair of direct-coupling feedback, belonging to voltage current negative feedback in series connection. It can increase the transmitting coefficient of low load impedance by derating output impedance.
Reprinted Url Of This Article:
http://www.seekic.com/circuit_diagram/LED_and_Light_Circuit/Solid_laser_range_finder_receive_circuit_diagram.html
Print this Page | Comments | Reading(3)
Code: