Published:2009/6/17 0:07:00 Author:May | From:SeekIC

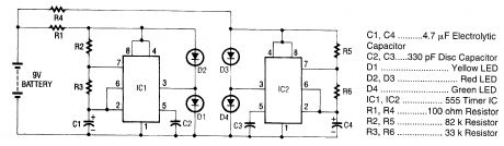
The super LED flasher is actually two complete LED flasher circuits on one circuit on one circuit board. The first LED flasher is made up of IC1 and LEDs D1 and D2. IC1 is a 555 timer IC configured as an astable (free-running) multivibrator with its output on pin 3.
The frequency of the 555's oscillation is controlled by R2, R3, and C1. Resistor R1 limits the input voltage to a low enough level to prevent damage to the IC. As the 555 IC oscillates, the output of pin 3 goes high (+) then low (-). When the output is high it supplies current to D1, which lights up.When it is low, pin 3 sinks current and D2 lights up. This happens because LEDs are polarity-sensi-tive (like all other diodes, they permit current flow in only one direction) and one lead of each LED has been connected to the respective polarity needed to light that LED.
The second LED flasher, made up of IC2 and LEDs D3 and D4, operates in the same way as the first LED flasher.
Reprinted Url Of This Article:
http://www.seekic.com/circuit_diagram/LED_and_Light_Circuit/Super_LED_Flasher.html
Print this Page | Comments | Reading(3)
Code: