Published:2009/7/1 1:22:00 Author:May | From:SeekIC

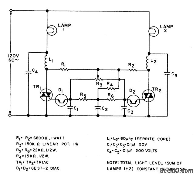
This cross fader circuit can be used for fading between two slide projectors. As R3 is moved to either side of center, one triac is fired earlier in each half cycle, and the other later. The total light output of both lamps stays about the same for any control position.
Reprinted Url Of This Article:
http://www.seekic.com/circuit_diagram/LED_and_Light_Circuit/TANDEM_DIMMER_CROSS_FADER.html
Print this Page | Comments | Reading(3)
Code: