Published:2009/6/30 3:06:00 Author:May | From:SeekIC

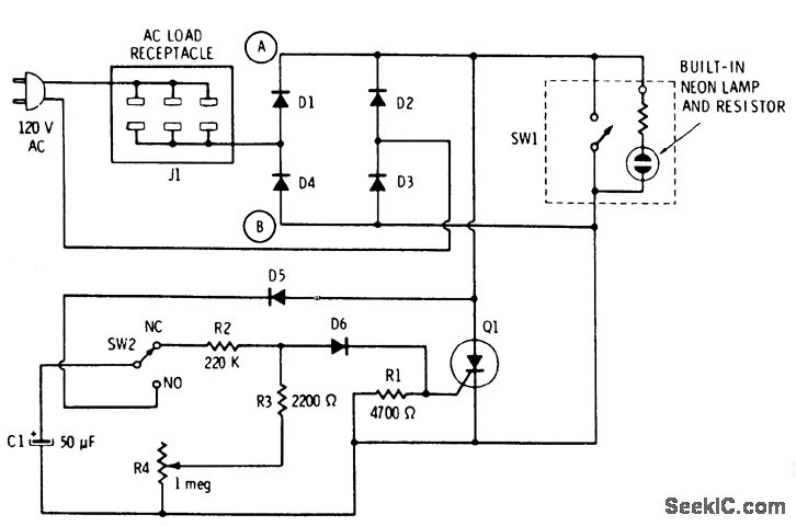
The push button and potentiometer initiate a time delay that turns a light on then automatically turns it off again after a predetermined time. The potentiometer can be set for a delay of a few secbnds to just under three minutes. When the push-button switch SW2 is pressed, capacitor C1 gets charged through D5 to the full dc voltage developed by the diode bridge. When the button is released, the charged capacitor is connected across the series combination of R2, R3, and potentiometer R4 whose setting determines the total resistance and thereby sets the time it takes for the capacitor to discharge. A steering diode, D6, connected to the junction of R2 and R3, and potentiometer R4 whose setting determines The total resistance and thereby sets the time it takes for the capacitor to discharge. Diode, D6 picks off a portion of this decaying dc voltage and applies it to the gates terminal of Q1, the SCR, triggering it into a conductive state. This SCR will remain on as long as there is sufficient voltage on its gate. As soon as this voltage decays below the minimum holding voltage of the SCR, it will tum off on the next line alternation.
Reprinted Url Of This Article:
http://www.seekic.com/circuit_diagram/LED_and_Light_Circuit/TARRY_LIGHT.html
Print this Page | Comments | Reading(3)
Code: