Published:2009/7/13 11:51:00 Author:May | From:SeekIC

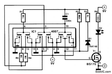
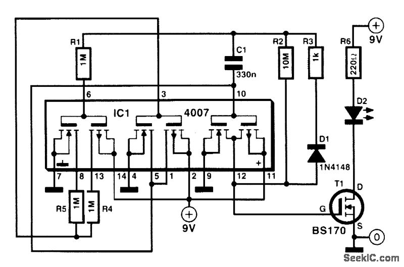
The dual complementary pair of switching FETs and inverter contained in a CD4007 CMOS IC enables an LED flasher to be made that uses very little energy. The IC is arranged as a three-inverter oscillator. Resistors R4 and R5 in series with the drains of one pair of FETs ensure that the drive current for the following pair of FETs is tiny. The high time of the oscillator is determined by network R3-C1, and its low time by R2-C1 (D1 is then cut off so that R3 is inactive). The LED is provided with current during the high time of the oscillator by T1. The level of this current is determined by R6.The values of R2,R3, and C1 cause an LED OFF time of 1 s and an ON time of 1 ms. Because the high-efficiency diode draws a current of30 mA, its lighting will be clearly visible. A standard 9-V battery will give continuous operation for about three years.
Reprinted Url Of This Article:
http://www.seekic.com/circuit_diagram/LED_and_Light_Circuit/THRIFTY_LED_FLASHER.html
Print this Page | Comments | Reading(3)
Code: