Published:2009/7/3 3:45:00 Author:May | From:SeekIC






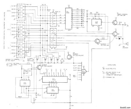
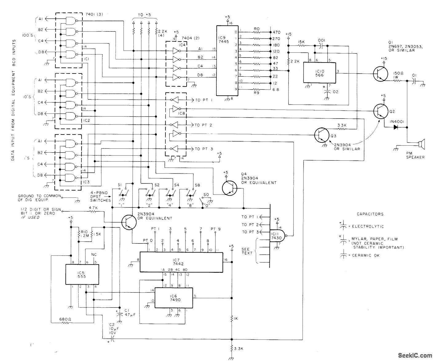
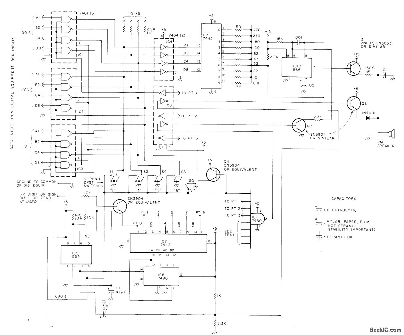
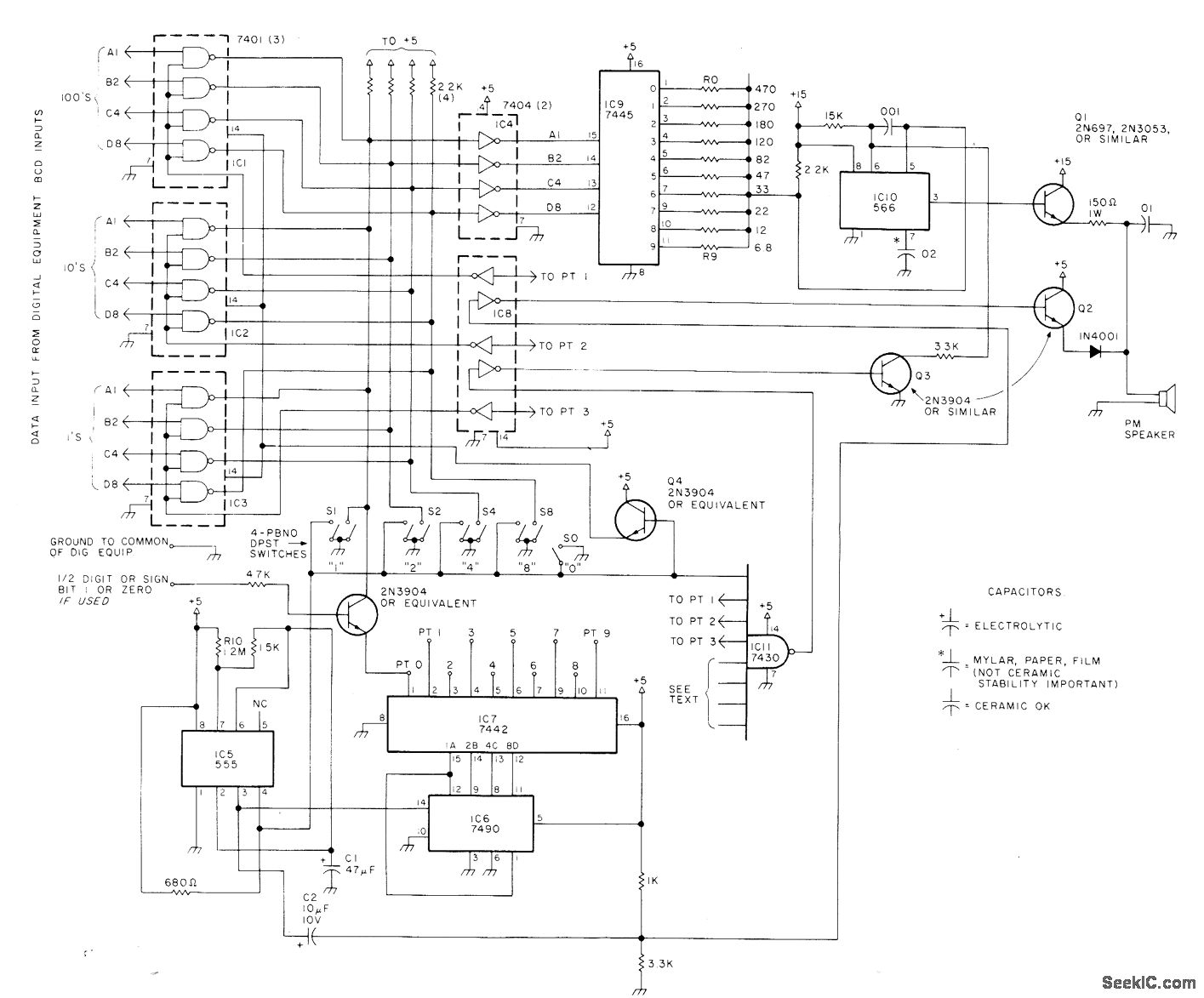
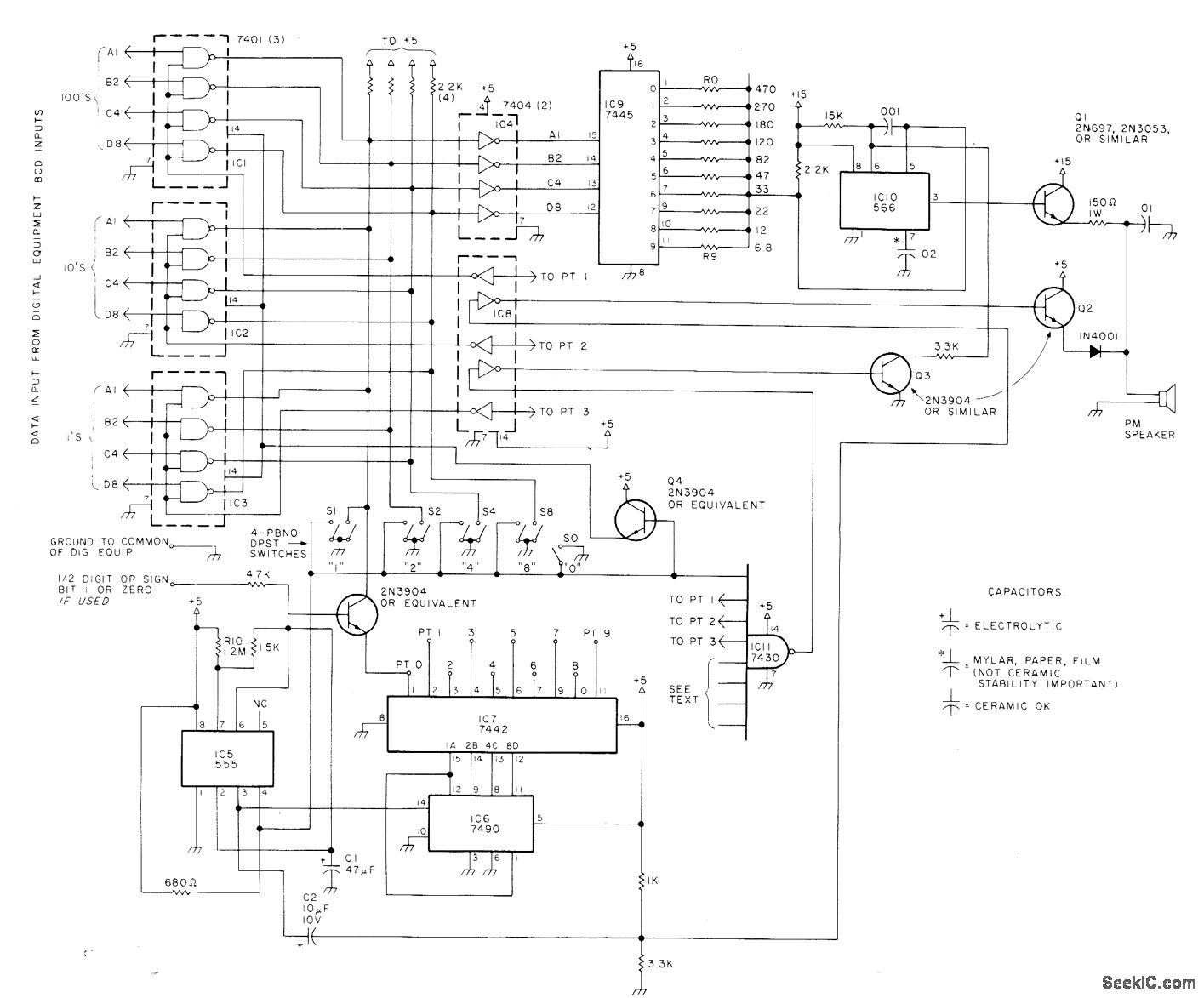
Converts BCD input from digital test gear to sequence of 10 different tones representing 0 to 9, for recognition of reading on digital display by blind radio operator or experimenter. Length of tone sequence equals number of digits displayed, plus sign indicator or half-digit if desired. Circuit shown is for 31/2 digits. Article describes operation of drcuit and gives construction details. Resistors R0-R9 (values inkilohms from 6.8K to 470K),determining frequencies of generated tones,are switched into VCO IC10 by IC9-D,R Pacholok,Digital to Audio Decoder,73 Magazine,Oct 1977,p 178-180.
Reprinted Url Of This Article:
http://www.seekic.com/circuit_diagram/LED_and_Light_Circuit/TONE_OUTPUT_FOR_DIGITAL_DISPLAY.html
Print this Page | Comments | Reading(3)
Code: