Published:2009/7/1 20:47:00 Author:May | From:SeekIC

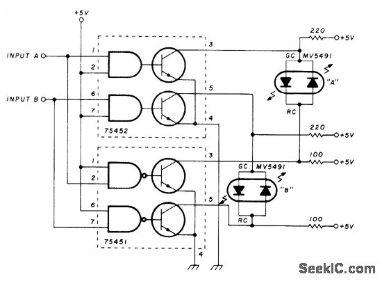
Uses Monsanto MV5491 having red and green LEDs in same housing, connected inversely in parallel so current in one direction gives green and reverse current gives red. Two different drivers are used, SN75452 noninverting and SN75451 inverting. Each LED pair shows one color for correct polarity at its driver input and other color for opposite polarity.-K. Powell, Novel Indicator Circuit, Ham Radio, April 1977, p 60-63.
Reprinted Url Of This Article:
http://www.seekic.com/circuit_diagram/LED_and_Light_Circuit/TWO_INPUT_RED_GREEN_LED.html
Print this Page | Comments | Reading(3)
Code: