© 2008-2012 SeekIC.com Corp.All Rights Reserved.
Published:2011/8/23 22:07:00 Author:Borg | Keyword: parallel LEDs | From:SeekIC

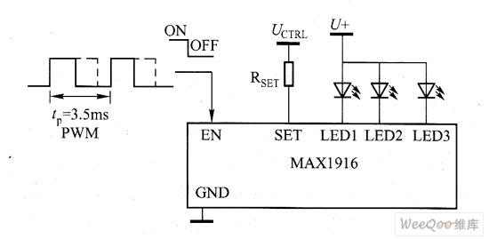
In the figured MAX1916 application circuit, a single external resistor (RSET) can be used to set the current value of each LED, and the simple brightness control (dimming function) can be fulfilled by adding wide modulation signals on the pin (EN) of the IC. By using the method of setting the LED current with the resistor RSET, little PCB space is occupied, in this method, in addition to MAX1916(6 little 6-pin SOT23 packages) and several external capacitors, only an external resistor is needed.
Reprinted Url Of This Article:
http://www.seekic.com/circuit_diagram/LED_and_Light_Circuit/The_circuit_that_can_drive_3_parallel_LEDs.html
Print this Page | Comments | Reading(3)
Response in 12 hours
© 2008-2012 SeekIC.com Corp.All Rights Reserved.
Code: