Published:2011/6/29 5:10:00 Author:Seven | Keyword: dual key, FET dimmer | From:SeekIC

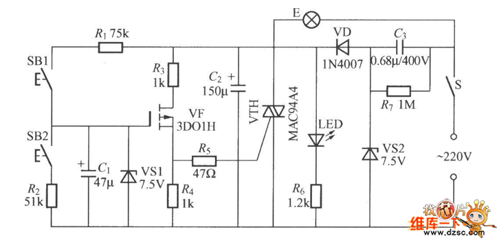
The dual key FET dimmer circuit is shown in the figure, which adopts two light touch switches to regulate the brightness, one of them is to raise the brightness, the other is to reduce to brightness. It is easy to use and its outline is pretty.
Reprinted Url Of This Article:
http://www.seekic.com/circuit_diagram/LED_and_Light_Circuit/The_dual_key_FET_dimmer_circuit.html
Print this Page | Comments | Reading(3)
Code: