Published:2011/5/21 6:08:00 Author:Borg | Keyword: log transmission, LED signals | From:SeekIC

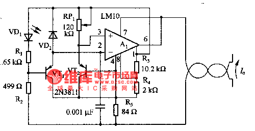
The figure is a transmission circuit of shifting D/A with LED. The circuit is to do log transmission to VD2 photo-current in the tested area, and the current is delivered to distant equipment in terms of dual-line currents. RP1 is used to set the intermediate range which is to be tested, and the temperature nature of the transformation coefficient is compensated by R5.
Reprinted Url Of This Article:
http://www.seekic.com/circuit_diagram/LED_and_Light_Circuit/The_log_transmission_circuit_of_LED_signals.html
Print this Page | Comments | Reading(3)
Code: