Published:2011/6/29 0:57:00 Author:Seven | Keyword: stepless dimmer, integrated circuits | From:SeekIC

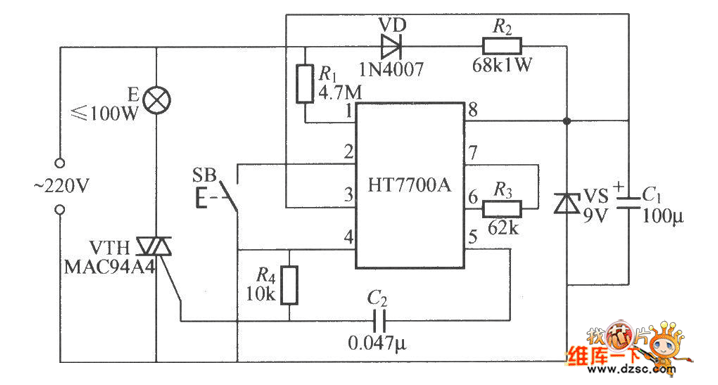
The figured circuit is the key control stepless dimmer circuit composed of HT7700A dimming special integrated circuit, which is controlled by a SB single key, and the dimming brightness has 96 stages.
Reprinted Url Of This Article:
http://www.seekic.com/circuit_diagram/LED_and_Light_Circuit/The_stepless_dimmer_circuit_of_special_integrated_circuits.html
Print this Page | Comments | Reading(3)
Code: