Published:2011/5/23 2:09:00 Author:Borg | Keyword: trigger timing circuit, LED | From:SeekIC

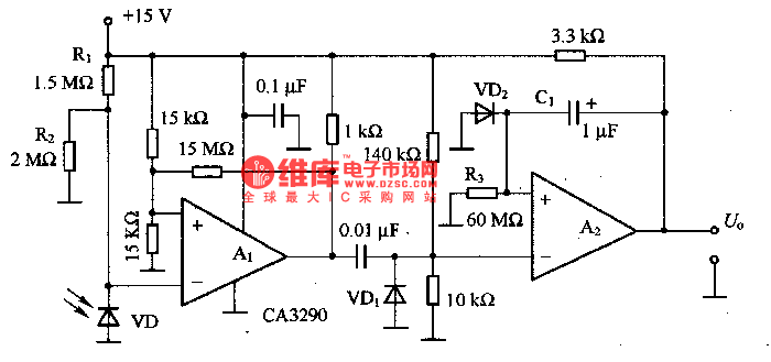
This is a trigger timing circuit of LED. In the circuit, A1 is the comparator, A2 is the single trigger timer. When the light obstructed, the current in VD, the LED, is changing, and the current is output by A1 then it triggers A2,then A2 converts the current into a low LEV and keep it for 60S(it is decided by R3 and CI). The sensitivity to the light of VD can be changed by the resistances of R1 and R2, but the ratio between the two resistance values is stable, so that VD could be provided with a certain reverse bias voltage.
Reprinted Url Of This Article:
http://www.seekic.com/circuit_diagram/LED_and_Light_Circuit/The_trigger_timing_circuit_of_LED.html
Print this Page | Comments | Reading(3)
Code: