Published:2011/6/21 6:24:00 Author:Lucas | Keyword: white LED , drive circuit | From:SeekIC

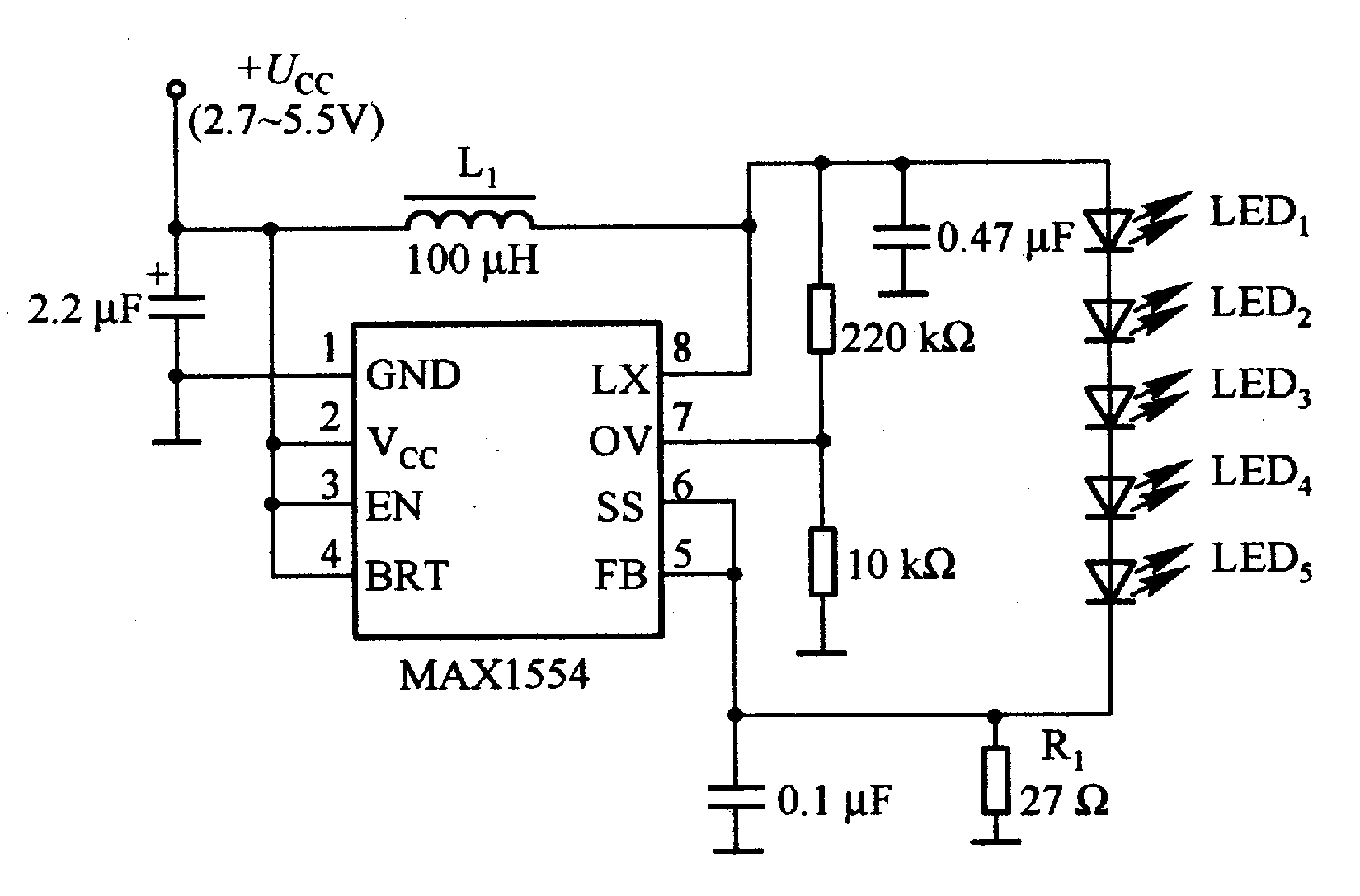
It is the white LED drive circuit which is supplied by 2 to 4 cell batteries, and the maximum luminance is constant. Rl is the current detection resistor with the resistance in 27Ω, so the LED current is about 10mA. L1 requires the use of the inductors with higher saturation and flux density for increasing the current.
Reprinted Url Of This Article:
http://www.seekic.com/circuit_diagram/LED_and_Light_Circuit/The_white_drive_circuit_composed_of_MAXl554.html
Print this Page | Comments | Reading(3)
Code: