Published:2012/8/29 0:55:00 Author:Ecco | Keyword: Two-button, FET , dimming light | From:SeekIC

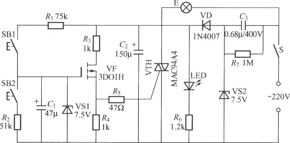
It uses two touching buttons switch fordimming, and one is used to highlight, the other is used to dim. Its advantagesinclude easy to use, beautiful appearance.
Reprinted Url Of This Article:
http://www.seekic.com/circuit_diagram/LED_and_Light_Circuit/Two_button_FET_dimming_light_circuit.html
Print this Page | Comments | Reading(3)
Code: