Published:2009/7/17 4:05:00 Author:Jessie | From:SeekIC

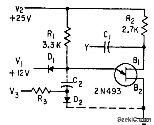
Clamping diode holds emitter voltage below peak-point voltage. When negative trigger at base B2 turns on transistor, D2 is back-biased and R1 becomes emitter load. Operation is stable if capacitance between emitter and base B1 is kept below critical value.-T. P. Sylvan, Bistable Circuits Using Unijunction Transistors, Electronics, 31:51, p 89-91.
Reprinted Url Of This Article:
http://www.seekic.com/circuit_diagram/LED_and_Light_Circuit/UJT_BISTABLE_WITH_CLAMP.html
Print this Page | Comments | Reading(3)
Code: