About SeekIC | Services | Payment | Advertisements service | Contact Us | Links
© 2008-2012 SeekIC.com Corp.All Rights Reserved.
Published:2011/4/27 3:39:00 Author:Rebekka | Keyword: LED flash launcher | From:SeekIC

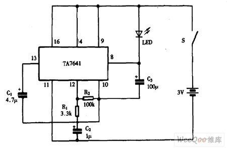
Using TA7641 as LED flash launcher circuit diagram is shown as above.
Reprinted Url Of This Article:
http://www.seekic.com/circuit_diagram/LED_and_Light_Circuit/Using_TA7641_as_LED_flash_launcher_circuit_diagram.html
Print this Page | Comments | Reading(3)
Response in 12 hours
© 2008-2012 SeekIC.com Corp.All Rights Reserved.
Code: