Published:2009/7/9 5:17:00 Author:May | From:SeekIC

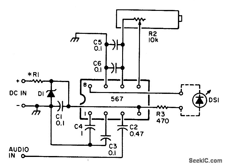
An NE567 tone decoder, tuned to the transceiver's CW offset frequency, ensures that the transceiver will be transmitting on the same frequency as the received CW signal. Simply tune the transceiver so that the LED lights. Eight to 13 Vdc is required; this can be taken from the transceiver supply or an extra battery. Audio is taken from the speaker or headphone output.
Reprinted Url Of This Article:
http://www.seekic.com/circuit_diagram/LED_and_Light_Circuit/VISUAL_CW_OFFSET_INDICATOR.html
Print this Page | Comments | Reading(3)
Code: