Published:2009/6/23 2:16:00 Author:May | From:SeekIC

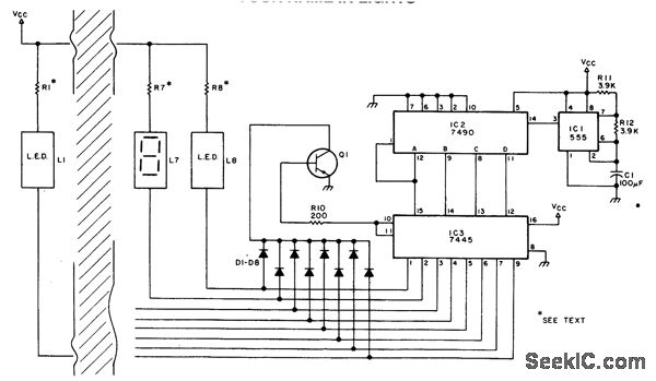
This circuit will enable you to put a name or callsign in lights using seven-segment LEDs. The display will spell the desired name out sequentially. Select the correct type of LED. Solder the cor-rect leads together to form the letters you want. After mounting the appropriate current-limiting re-sistor, the 7445 can only sink 80 mA, so a PNP transistor is needed to handle the current required to light the letters. The heart of the circuit is a 555 oscillator into a 7490 decade counter, which is de-coded by a 7445 open-collector driver chip.
Reprinted Url Of This Article:
http://www.seekic.com/circuit_diagram/LED_and_Light_Circuit/YOUR_NAME_IN_LIGHTS.html
Print this Page | Comments | Reading(3)
Code: