Published:2009/7/8 5:32:00 Author:May | From:SeekIC

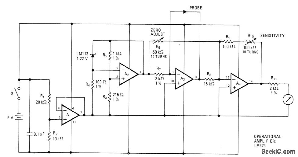
Temperature sensor is LM113 diode in probe, with sections A1 and A2 of LM324 quad opamp maintaining constant current to diode to ensure that voltage changes across diode are direct result of temperature.4.5-V output of A1 is reference point for other opamps. Changes in output voltage of diodeare reflected in output of A4 through buffer A3. Calibration involves adjusting R6 for zero output voltage at low end of temperature range,then adjusting R10 for full-scale or other convenient reading at desired upper temperature limit. Use 1-mA meter movement.-Y. Nezer, Accurate Thermometer Uses Single Quad Op Amp, Electronics, May 26, 1977, p 126.
Reprinted Url Of This Article:
http://www.seekic.com/circuit_diagram/Measuring_and_Test_Circuit/01℃_PRECISION.html
Print this Page | Comments | Reading(3)
Code: