Published:2009/6/19 3:52:00 Author:May | From:SeekIC

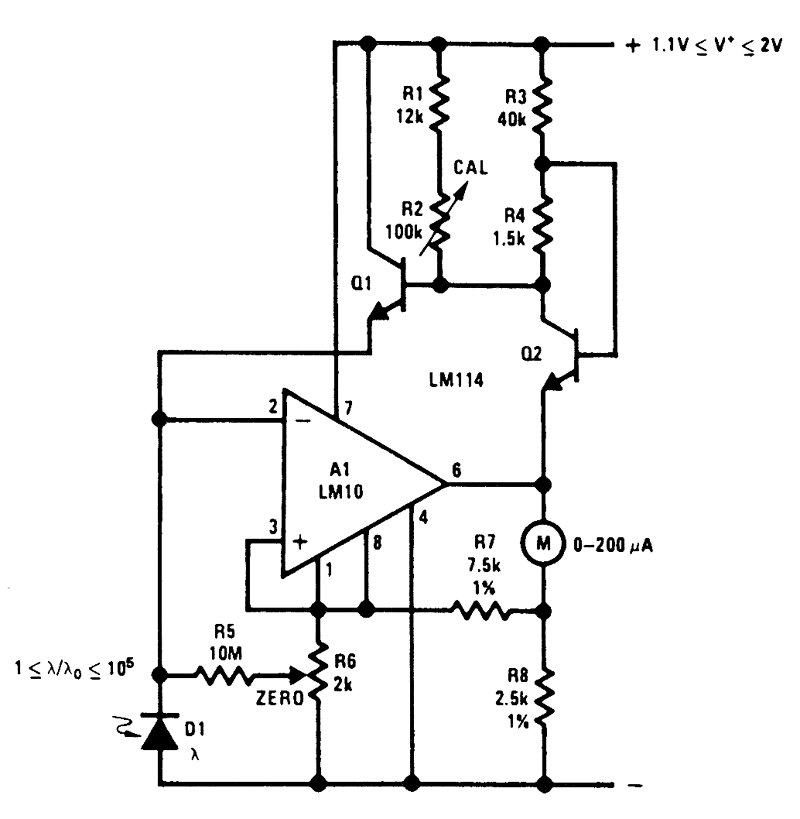
A portable light-level meter with a five-decade dynamic range is shown. The circuit is calibrated at mid-range with the appropriate illumination by adjusting R2 such that the amplifier output equals the reference and the meter is at center scale. The emitter-base voltage of Q22 will vary with supply voltage; so R4 is included to minimize the effect on circuit balance. If photocurrents less than 50 nA are to be measured, it is necessary to compensate the bias current of the op amp.The logging slope is not temperature compensated. With a five-decade response, the error at the scale extremes will be about 40% (a half stop in photography) for a ±18℃ temperature change.If temperature compensation is desired, it is best to use a center-zero meter to introduce the off-set, rather than the reference compensation. It can be obtained by making the resistor in series with the meter a copper wire-wound unit.If this design is to be used for photography, it is important to remember that silicon photodiodes are sensitive to near-infrared light, whereas ordinary film is not. Therefore, an infrared-stop filter is called for. A blue-enhanced photodiode or an appropriate correction filter would also produce best results.
Reprinted Url Of This Article:
http://www.seekic.com/circuit_diagram/Measuring_and_Test_Circuit/15_V_LOGARITHMIC_LIGHT_LEVEL_METER.html
Print this Page | Comments | Reading(3)
Code: