Published:2009/6/17 22:14:00 Author:May | From:SeekIC

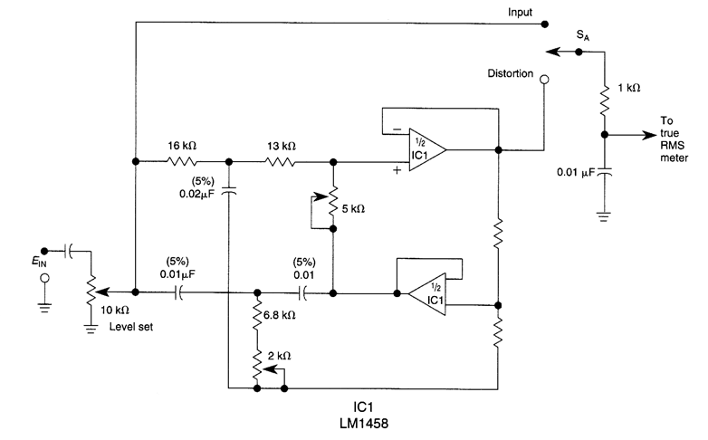
The circuit useful for distortion measurements notches out the fundamental frequency of 1 kHz to allow measurement of the residual level of harmonics. First a true BMS meter is used to measure the 1-kHz input level Ein by setting SA to the input position. Then, SA is placed in the distortion posi-tion and the 2 k potentiometer is adjusted for a null. The residual reading is noted. The THD is then calculated based on the formula:
Reprinted Url Of This Article:
http://www.seekic.com/circuit_diagram/Measuring_and_Test_Circuit/1_KHz_HARMONIC_DISTORTION_METER.html
Print this Page | Comments | Reading(3)
Code: