Published:2009/7/14 23:36:00 Author:Jessie | From:SeekIC


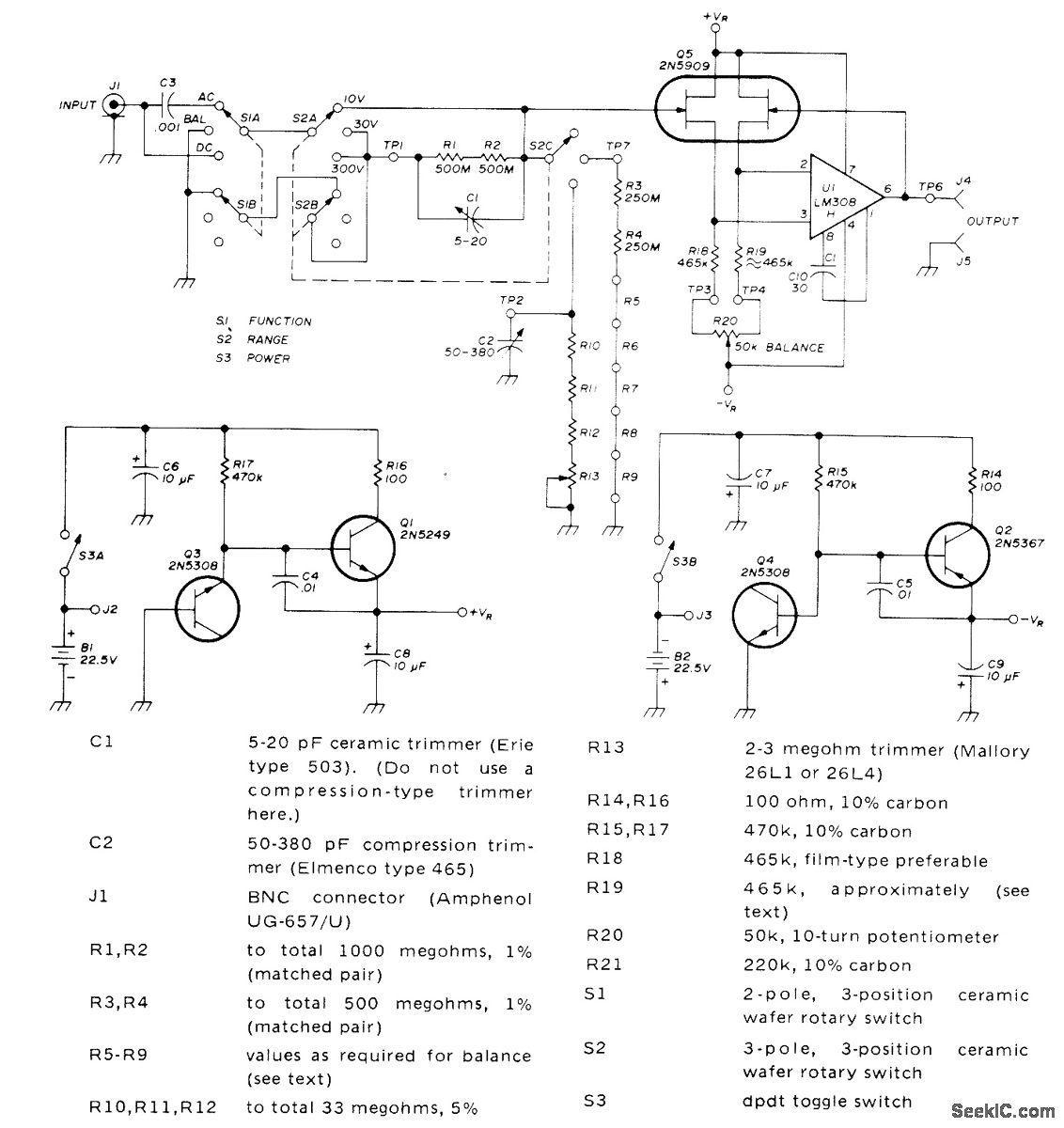
High-accuracy meter-interface amplifier for AC and DC voltage measurements has input resistance of 1,000,000 megohms. Amplifier eliminates voltmeter errors due to loading by using special 2N5909 dual FET with exceptionally low gate leakage current. FET and opamp are connected as voltage follower with gain of 1. Accuracy on 0-10 V range is 0.1% or better. For higher voltage ranges, accuracy depends on that of resistive voltage divider used. Three ranges provided have full-scale values of 10, 30, and 300 V. AC RMS inputs are limited to 70% of DC ranges. Two voltage regulators are used with battery supply to permit use of batteries exceeding 18-V voltage rating of opamp, so battery voltages can drop considerably before replacement is required. Article covers construction and adjustment.-J. R. Laughlin, High-Impedance Meter Interface, Ham Radio, Jan. 1974, p 20-25.
Reprinted Url Of This Article:
http://www.seekic.com/circuit_diagram/Measuring_and_Test_Circuit/1_TERAOHM_INPUT.html
Print this Page | Comments | Reading(3)
Code: