Published:2009/7/11 3:56:00 Author:May | From:SeekIC

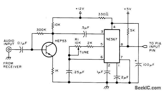
Used as interface between amateur CW receivel and Motolola 6800 microcomputer to copy any code speed from 3 to 60 WPM while adjusting automatically to irregularities of hand-sent code. Translation program given in article requires about 600 bytes of memory. Algorithm can be converted to run on almost any 8-bit microprocessor. Tone decoder is 567 phase-locked loop tuned to center frequency of about 1 kHz, with bandwidth of about 100 Hz. Circuitwill switch fast enough for most code speeds. PLL gives noise immunity.Optimum input level is about 200 mV. Output rests at +5 V dropping near ground when tone of correct frequency is detected.-R, D. Grappel and J. Hemenway, Add This 6800 MORSER to Your Amateur Radio Station, BYTE, Oct. 1976, p 30-35.
Reprinted Url Of This Article:
http://www.seekic.com/circuit_diagram/Measuring_and_Test_Circuit/1_kHz_TONE_DECODER.html
Print this Page | Comments | Reading(3)
Code: