Published:2009/7/5 22:46:00 Author:May | From:SeekIC

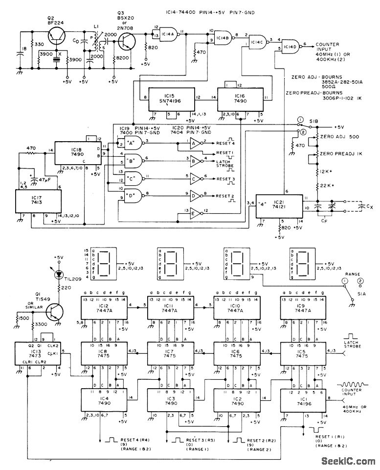
Presents instantly in digital form the value of unknown capacitor, in ranges of 1-9999 pF and 1-999.9 nF. Four digits are displayed, with leading-zero suppression and overflow indicator. Accuracy is better than 0.1% of full range ±1 digit for higher values in both ranges. Mono MVBR IC21 produces pulse whose length is directly proportional to value of CX plus about 980-pF total in CF. This pulse enables gate IC14D whose output goes to counter. Oscillator Q2, buffer Q3, dividers IC15 and IC16, and gates IC14 together give 40-MHz (range 1) or 400-kHz (range 2) pulses that are counted while IC21 holds IC14D open. Article covers construction in detail.-I. M. Chladek, Build This Digital Capacity Meter, 73Magazine, Jan. 1976, p 70-78.
Reprinted Url Of This Article:
http://www.seekic.com/circuit_diagram/Measuring_and_Test_Circuit/1_pF_TO_1_μF.html
Print this Page | Comments | Reading(3)
Code: