Published:2009/7/13 2:51:00 Author:May | From:SeekIC



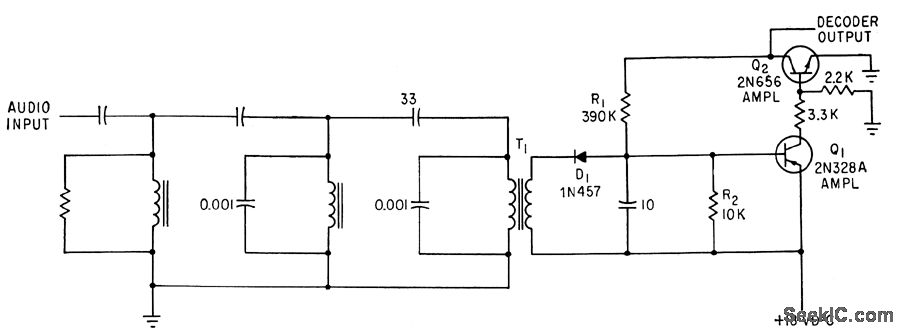
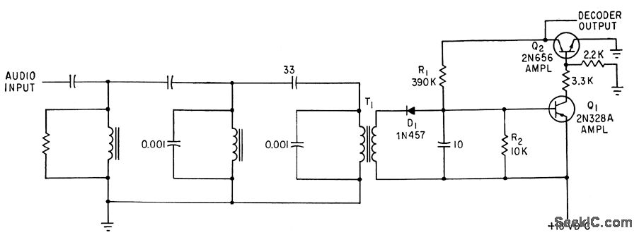
L-C filter in each decoder is tuned to channel tone,with 35-db adjacent-channel rejection.Rectified output of detector D1 drives two-stage d.c amplifier having relay load. Used in Mercury spacecraft command receiver.-R.Elliott,First Details on Mercury Spacecraft Command Receiver,Electronics,36:5,p32-35
Reprinted Url Of This Article:
http://www.seekic.com/circuit_diagram/Measuring_and_Test_Circuit/20_CHANNEL_DECODER_FOR_AUDIO_TONES.html
Print this Page | Comments | Reading(3)
Code: