Published:2009/7/15 4:41:00 Author:Jessie | From:SeekIC

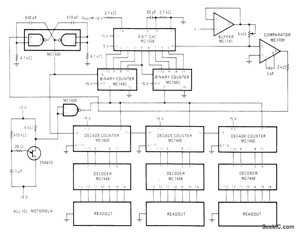
Closed-loop system designed around Motorola MC1408 8-bit D/A converter uses clocked binary counter feeding converter to produce staircase ramp function. output of converter is compared to unknown input signal, and clock pulse is terminated when levels being compared are equal. Clock pulses are generated at 330 kHz by two cross-coupled NAND gates in MC7400. UJT oscillator resets both sets of counters so unknown voltage is re-sampled every 0.5 s, MC7448 BCD to 7-segment decoders convert outputs of BCD counters to format for LED displays. With values shown, meter can measure up to 2.55Vin 10-mV steps. Different full-scale values can be obtained by using input voltage dividers or by replacing unity-gain input buffer with suitable fixed-gain buffer.-D. Aldridge, DAC Key to inexpensive22/3 Digit Voltmeter, Motorola, Phoenix, AZ, 1975, EB-21.
Reprinted Url Of This Article:
http://www.seekic.com/circuit_diagram/Measuring_and_Test_Circuit/2SUP2_SUP_SUB3_SUB_DIGIT_VOLTMETER.html
Print this Page | Comments | Reading(3)
Code: