Published:2009/6/29 1:37:00 Author:May | From:SeekIC

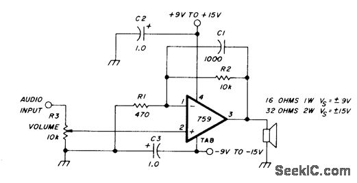
Fairdlild 759 opamp provides 1-W AF output when supply is ±9V and loudspeaker is 16 ohms,and 2 W with ±15V and 32ohm loudspeaker. Use heatsink,Gain is 20 for values shown with response rolled off at 15 kHz by C1,-W Jung,An10 Op Amp Update,Ham Radio,March 1978、p 62-69
Reprinted Url Of This Article:
http://www.seekic.com/circuit_diagram/Measuring_and_Test_Circuit/2_W_MONITOR.html
Print this Page | Comments | Reading(3)
Code: