Published:2009/7/15 4:13:00 Author:Jessie | From:SeekIC

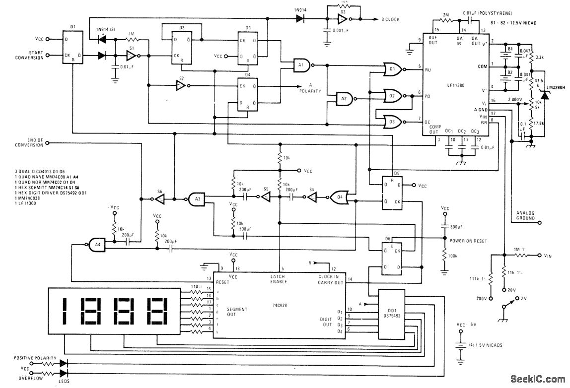
Combination of National LF11300 dual-slope analog building block and MM74C928 CMOS 31/2-decade counter with 7-segment outputs gives automatic-zeroing automatic-polarity 31/2-digit digital voltmeter. Counter drives LED display with multiplexed 7-segment information under control of internal free-running oscillator. Interface circuits provide nonoverlapping control signals to LF11300 for polarity determination and offset correction for every conversion cycle. Analog circuit draws 1.5 mA from each 12.5-V battery. Digital circuit draws about 40 mA from 6-V supply.- CMOS Databook, National Semiconductor, Santa Clara, CA, 1977, p 5-36-5-37.
Reprinted Url Of This Article:
http://www.seekic.com/circuit_diagram/Measuring_and_Test_Circuit/3SUP1_SUP_SUB2_SUB_DIGIT_DVM.html
Print this Page | Comments | Reading(3)
Code: