Published:2009/7/15 20:23:00 Author:Jessie | From:SeekIC

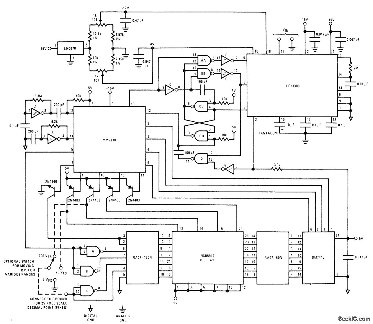
National MM5330 BCD building block is used with LF13300 analog section of A/D converter to provide ±19,999 counts on NSB5917 display. Circuit contains counters, latches, and multiplexing system for four full digits of display with one decoder/driver, along with sign bit that is valid during overrange and 10,000-count numeral 1, LF13300 has automatic zeroing of all offset voltages. Operation is based on code conversion of number of counts made by MM5330 before comparator crossing is detected. Switch gives choice of 2-, 20-, and 200 V full-scale ranges. Inverters are MM74C14 hex Schmitt triggers. Two-letter NAND gates are MM74C00 CMOS quad NAND gates. One-letter NAND gates (A, B, etc) are DM7400 TTL quad NAND gates.- MOS/LSI Databook, Nation-al Semiconductor, Santa Clara, CA, 1977, p 5-2-5-22.
Reprinted Url Of This Article:
http://www.seekic.com/circuit_diagram/Measuring_and_Test_Circuit/4SUP1_SUP_SUB2_SUB_DIGIT_METER.html
Print this Page | Comments | Reading(3)
Code: