Published:2013/6/6 20:48:00 Author:muriel | Keyword: 4 , Infrared Detectors Schematic | From:SeekIC

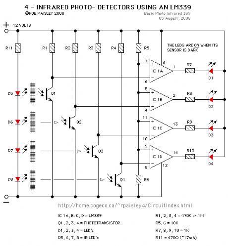
The schematic shows how the LM339 can be used to build a multiple detector unit.
In order to reduce on the total current needed for the circuit the infrared LED's can be wired in series and the value of the series resistor adjusted to supply the needed current. In this way the LED's use the same 17 milliamps instead of needing 17 milliamps each.
The parts values shown on the schematic are guidelines that should work in most situations but may have to be adjusted for your particular needs.
Reprinted Url Of This Article:
http://www.seekic.com/circuit_diagram/Measuring_and_Test_Circuit/4___Infrared_Detectors_Schematic.html
Print this Page | Comments | Reading(3)
Code: