Published:2009/6/30 21:31:00 Author:May | From:SeekIC

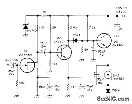
Circuit designed for 5-mA meter movement uses two-stage voltage ampilfer Q1-Q2 with emitter-follower output Q3 serving as impedance-matching stage AF input for S-9 reading is 25-30mV P-P and forfull scale is 50-60mV P-P Frequency response is 500 Hz to 10 kHz-M,A,Chapma,Solid-State S-Me-ters,Ham Radio,March 1975 p 20-23
Reprinted Url Of This Article:
http://www.seekic.com/circuit_diagram/Measuring_and_Test_Circuit/5_mA_S_METER.html
Print this Page | Comments | Reading(3)
Code: