Published:2009/7/15 3:38:00 Author:Jessie | From:SeekIC

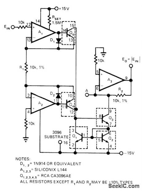
Opamps A1 and A2 act with PNP transistors Q4 and Q5 to form operational rectifier having current-mode output. Current-to-voltage converter A3 uses R2 asscale factor. Input voltage range is determined by common-mode range of opamp and breakdown ratings of components. Circuit shown handles ±10 V signal.-S, Smith, Full-Wave Rectifier Needs Only Two Precision Resistors, EDN Magazine, Jan. 5, 1975, p 56.
Reprinted Url Of This Article:
http://www.seekic.com/circuit_diagram/Measuring_and_Test_Circuit/ABSOLUTE_VALUES_1.html
Print this Page | Comments | Reading(3)
Code: