Published:2009/7/20 20:33:00 Author:Jessie | From:SeekIC

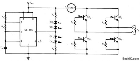
Optoisolator circuit operating from single battery develops alternating current for measuring resistance of soils and construction materials without errors due to polarization and earth-current effects. 555 IC timer controls output at frequency determined by R1, R2, and CT, R1 is made very much less than R2 but should not be below about 1 K. Frequency value is 1.44/(R1 + 2R2)CT Output switching matrix is controlled by timer so OC1 and OC4 are on for one half-cycle and OC2 and OC3, are on for other half. Output current is independent of frequency and duty cycle up to 150 Hz. With Monsanto MCT-2 optoisolators, R3 and R4, are 330 ohms and R5-R8 are each 22K.-D. J. Beckwitt, AC Ohmmeter Provides Novel Use for Opto-Isolators, EDN Magazine, July 5, 1974, p 70.
Reprinted Url Of This Article:
http://www.seekic.com/circuit_diagram/Measuring_and_Test_Circuit/AC_OHMMETER.html
Print this Page | Comments | Reading(3)
Code: