Published:2009/7/9 21:14:00 Author:May | From:SeekIC

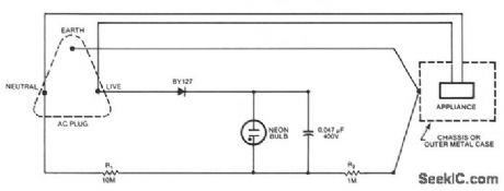
A continuous glow signiftes that everything is normal; a blinking or extinguished neon bulb indicates a broken earth-ground connection, or interchanged neutral and live wires.
Reprinted Url Of This Article:
http://www.seekic.com/circuit_diagram/Measuring_and_Test_Circuit/AC_POWER_LINE_CONNECTIONS_MONITOR.html
Print this Page | Comments | Reading(3)
Code: