Published:2009/7/7 5:01:00 Author:May | From:SeekIC

Reprinted Url Of This Article:
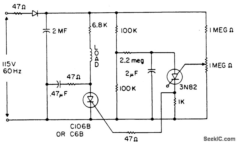
http://www.seekic.com/circuit_diagram/Measuring_and_Test_Circuit/ADJUSTABLE_AC_TIMER.2_TO_10_SEC.html
Print this Page | Comments | Reading(3)
Code: