Published:2009/7/13 22:04:00 Author:May | From:SeekIC

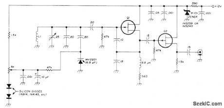
Permits coverage of all channels with ordinary FM transceiver without costly frequency synthesizer or individual channel crystals. Can also be used for tuning input of repeater when made necessary by malicious or accidental interference. Replaces first crystal oscillator in FM transceiver and tunes over required range, generally onethird of first injection frequency. Operates at about 45 MHz for most transceivers, but frequency can easily be changed. Tuning pot (10-turn 5K with digital dial is best) can be placed remotely. VFO uses FET oscillator tuned by tuning diode (also known as Varicap, varactor, or variable-capacitance diode). Source-follower output stage buffers oscillator. Supply is regulated by zener. Q1 and Q2 can be MPF102 FETs, but 2N5668 or 2N5669 are better. L1 is 4 turns No. 16 1/2 inch in diameter. Article covers construction, testing, and installation in transceiver.-P. Franson, Simple Tunable Receiver Modification for VHF FM, Ham Radio, Oct. 1974, p 40-43.
Reprinted Url Of This Article:
http://www.seekic.com/circuit_diagram/Measuring_and_Test_Circuit/ALL_CHANNEL_VFO_FOR_2_METERS.html
Print this Page | Comments | Reading(3)
Code: