Published:2009/7/1 3:01:00 Author:May | From:SeekIC

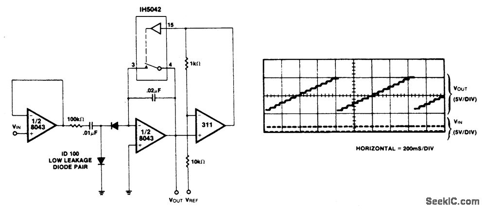
A straightforward circuit using a LM311 for the level detector and a CMOS analog gate to discharge the capacitor is shown. An important property of this type of counter is the ease with which the count can be changed; it is only necessary to change the volt-age at which the comparator trips. A low cost A-D converter can also be designed using the same principle since the digital count between reset periods is directly proportional to the analog voltage used as a reference for the comparator. A considerable amount of hysteresis is used in the comparator. This ensures that the capacitor is completely discharged during the reset period. In a more sophisticated circuit, a dual comparator window detector could be used, the lower trip point is set close to ground to ensure complete discharge. The upper trip point could then be adjusted independently to determine the pulse count.
Reprinted Url Of This Article:
http://www.seekic.com/circuit_diagram/Measuring_and_Test_Circuit/ANALOG_COUNTER_CIRCUIT.html
Print this Page | Comments | Reading(3)
Code: