Published:2009/7/6 6:11:00 Author:May | From:SeekIC

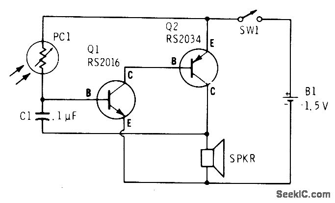
Low light on cadmium sulfide photocell (Radio Shack 276-116) produces series of clicks in miniature 8-ohm loudspeaker. As light increases, clicks merge into audio tone that increases in frequency as light intensity increases. Can be used for classroom demonstrations or as sunrise alarm clock. Circuit is quiet in total darkness.-F. M. Mims, Optoelectronic Projects, Vol. 1, Radio Shack, Fort Worth, TX, 1977, 2nd Ed., p 61-66.
Reprinted Url Of This Article:
http://www.seekic.com/circuit_diagram/Measuring_and_Test_Circuit/AUDIBLE_LIGHT_METER.html
Print this Page | Comments | Reading(3)
Code: